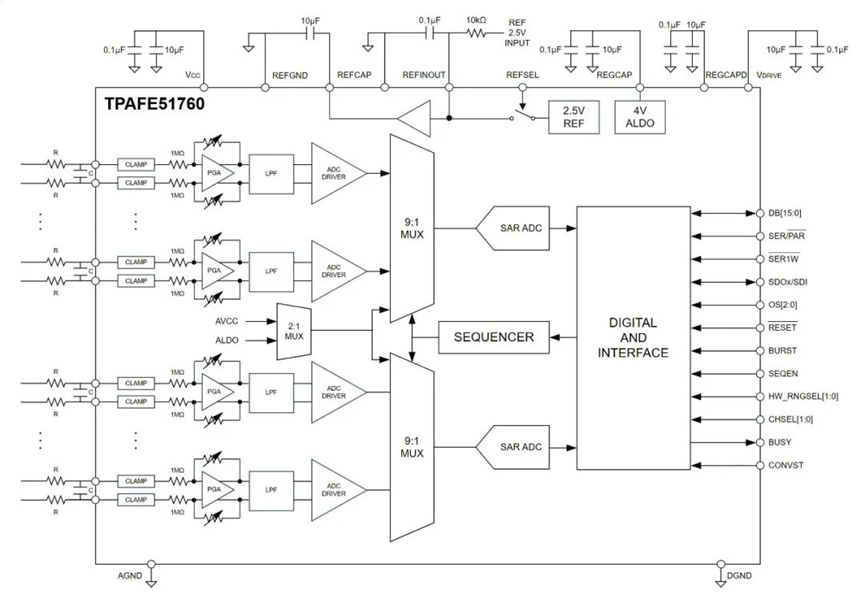
3PEAK (Stock Code: 688536), a semiconductor company focused on the development of high-performance analog chips and embedded processors, introduces the TPAFE51760, a new 16-channel high-precision ADC.The TPAFE51760 ADC features a built-in high-precision reference and supports operating temperatures of –40°C to +125°C. It is widely used in power automation devices such as DTUs, FTUs, and MUs.
TPAFE51760 Advantages
1. Industry-Leading ±30-V Analog Input Over-Voltage Clamp
2. Operational Amplifiers for Integrated Signal Conditioning and Simplified Sampling Circuit to Conserve PCB Space and Enhance Reliability
3. 16-channel Input for Simultaneous Dual-Circuit or Dual-Grid Electricity Network Sampling to Reduce the Number of ADCs and Save PCB Space and Costs
4. 16-bit Resolution for Improved Sampling Accuracy
5. 1MSPS Sampling Rate to Meet the Sampling Timeliness Requirements in Power and Most Other Sectors
6. Industry-Leading DNL and INL Performance; Curves #1–#4 below display actual measurements from competitors

7. Built-in High-Precision Reference with Maximum Temperature Drift of Less Than 10 ppm/°C

8. Stable SNR and THD Performance Across Full Temperature Range

9. Industry Leading Input Voltage Tolerance and ESD Capability

Typical Applications for the TPAFE51760

Typical Applications for the TPAFE51760
The following flow diagram displays a representative application for DTUs/FTUs in the power industry, where the three-phase voltage and current signals from the power transmission network are input to the ADC either directly after passing through two stages of voltage/current transformers or after signal conditioning through operational amplifiers. The ADC converts these analog signals into digital signals, which are then processed and controlled by the subsequent MCUs.
Thanks to the high-precision ADC TPAFE51760's integrated front-end analog signal processing circuit, which has an input voltage range of up to ±10 V, a signal conditioning circuit should not be required for most applications.

Typical Application Diagram for DTUs/FTUs in the Power Industry
The TPAFE51760 is now in mass production. Samples and evaluation boards are available.

TPAFE51760 Evaluation Board